QUICK FIX Craftsman riding mower belt replacement and deck leveling View larger
  • Craftsman riding lawn mower drive belt diagram hot sale
  • Replacing a Ground Drive Belt on a Riding Lawn Mower
  • Craftsman riding lawn mower drive belt diagram hot sale
  • How to Replace Drive Belt on Craftsman Lawn Mower Igra World
  • Craftsman Z5800 One 1 New Aftermarket Replacement 50

Craftsman riding lawn mower drive belt diagram hot sale

Craftsman riding lawn mower drive belt diagram hot sale, QUICK FIX Craftsman riding mower belt replacement and deck leveling hot sale

$104.00

SAVE 50% OFF

$52.00

- +

Add to wishlist


Frasers Plus

$0 today, followed by 3 monthly payments of $17.33, interest free. Read More


Craftsman riding lawn mower drive belt diagram hot sale

QUICK FIX Craftsman riding mower belt replacement and deck leveling

Craftsman LT2000 Transmission Ground Drive Belt Part Numbers

Replacing a Ground Drive Belt on a Riding Lawn Mower

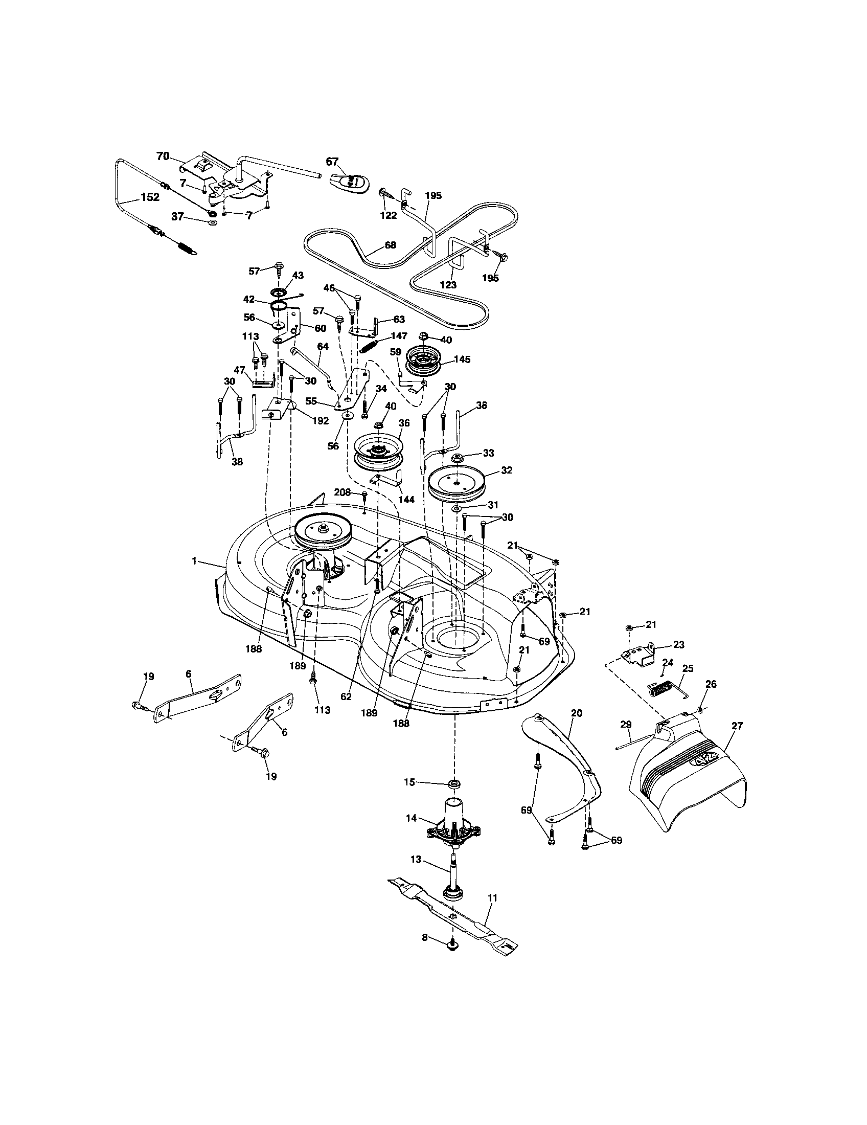
Official Craftsman 917289070 front engine lawn tractor parts

How to Replace Drive Belt on Craftsman Lawn Mower Igra World

Craftsman Z5800 One 1 New Aftermarket Replacement 50

Description

Product Name: Craftsman riding lawn mower drive belt diagram hot sale
Craftsman Riding Lawn Mower Drive Belt Diagram Craftsman riding hot sale, SOLVED How to replace drive belt on Craftsman riding mower hot sale, Murray C950 60471 0 Craftsman Lawn Tractor 2004 Parts Diagram hot sale, What is belt routing for a Craftsman 38 mower deck hot sale, Craftsman 42 Inch Mower Deck Belt Diagram Deck Lawn tractor hot sale, SOLVED How to replace drive belt on Craftsman riding mower hot sale, craftsman 50 inch mower deck belt Craftsman riding lawn mower hot sale, SOLVED I need a diagram Craftsman Riding Mower iFixit hot sale, Craftsman Riding Lawn Mower Deck V Belt Replacement 532429636 hot sale, HOW TO Craftsman LT2000 riding lawn mower v belt replacement and routing hot sale, How to Change Replace Main Transmission Drive Belt Craftsman Lawn Mower Tractor Electric Clutch hot sale, CRAFTSMAN Riding Mower Deck Drive Belt Replacement hot sale, How to replace both drive and deck belts on a Craftsman riding mower hot sale, SOLVED I need a actual picture of the installed drive belt hot sale, CRAFTSMAN Riding Mower Drive Belt Replacement CRAFTSMAN hot sale, How To Replace The Drive Belt On A Sears Craftsman Riding Mower hot sale, SOLVED belt diagram for model 917253725 sears tractor Craftsman hot sale, Replace The Deck Belt on This Craftsman T110 42 hot sale, Craftsman Dls 3500 Drive Belt Diagram Craftsman 917288130 front hot sale, Craftsman Lt1000 Belt Diagram Craftsman riding lawn mower hot sale, Craftsman T1400 Drive belt My Tractor Forum hot sale, BEST VIDEO on HOW to REPLACE a DRIVE BELT on a Common CRAFTSMAN RIDING Lawnmower 42 hot sale, Changing The Deck Belt Changing The Transmission Drive Belt hot sale, SOLVED How to replace drive belt on Craftsman riding mower hot sale, How to replace both drive and deck belts on a Craftsman riding hot sale, Craftsman T2200 Belt Diagram Both belts range between 42 to 50 hot sale, How to Install Transmission Drive Belt on a Craftsman Lawn Tractor hot sale, Replace The Deck Belt on This Craftsman T110 42 hot sale, Cutting Deck Mower Drive Belt Fits 42 hot sale, Install Ground Drive Belt On A Craftsman Riding Mower Center hot sale, Craftsman Riding Lawn Mower Drive Belt Diagram Craftsman 40 OFF hot sale, 30 Craftsman Troybuilt Riding Mower Deck Belt Replacement R110 hot sale, QUICK FIX Craftsman riding mower belt replacement and deck leveling hot sale, Craftsman LT2000 Transmission Ground Drive Belt Part Numbers hot sale, Replacing a Ground Drive Belt on a Riding Lawn Mower hot sale, Official Craftsman 917289070 front engine lawn tractor parts hot sale, How to Replace Drive Belt on Craftsman Lawn Mower Igra World hot sale, Craftsman Z5800 One 1 New Aftermarket Replacement 50 hot sale, CRAFTSMAN Riding Mower Deck Drive Belt Replacement YouTube hot sale, CRAFTSMAN M220 150 cc 21 in Gas Self propelled with Briggs and Stratton Engine hot sale, Cutter Drive Belt Fits AYP Sears Craftsman Poulan MT15536RBHA hot sale, 42 in. 17.5 HP Gear Drive Gas Riding Mower Carb Compliant T110 hot sale, 30 in. 10.5 HP Briggs and Stratton Engine 6 Speed Manual Drive Gas Rear Engine Riding Mower with Mulch Kit Included hot sale, Craftsman Lawn Tractor Mowing Deck Belt Configuration hot sale, Replacing a Blade Drive Belt on a Riding Lawn Mower YouTube hot sale, Replacement Parts Service Troy Bilt US hot sale, Craftsman 54 hot sale, CRAFTSMAN Riding Mower Deck Drive Belt Replacement YouTube hot sale, Craftsman rider mower 5 hp Briggs Stratton Power Built hot sale, CRAFTSMAN T110 42 in 17.5 HP Gas Riding Lawn Mower in the Gas hot sale.

Craftsman riding lawn mower drive belt diagram hot sale